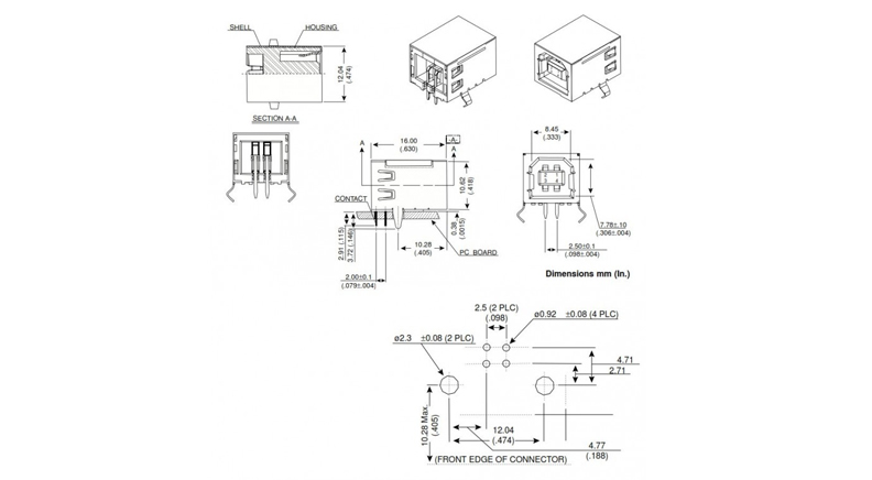
USB-B کانکتور مادگی

-
دیتاشیت برای کالا وجود ندارد
>
ویدیوی برای این کالا وجود ندارد
×
خطا در عملیات
در عملیات خطا به وجود آمده
USB-B کانکتور مادگی

-
دیتاشیت برای کالا وجود ندارد
ویدیوی برای این کالا وجود ندارد
منبع تغذیه متغیر جیبی با کیفیت
پراب منبع تغذیه10آمپری
پروگرامر جیبی AVR