AMS1117رگولاتور متغییر
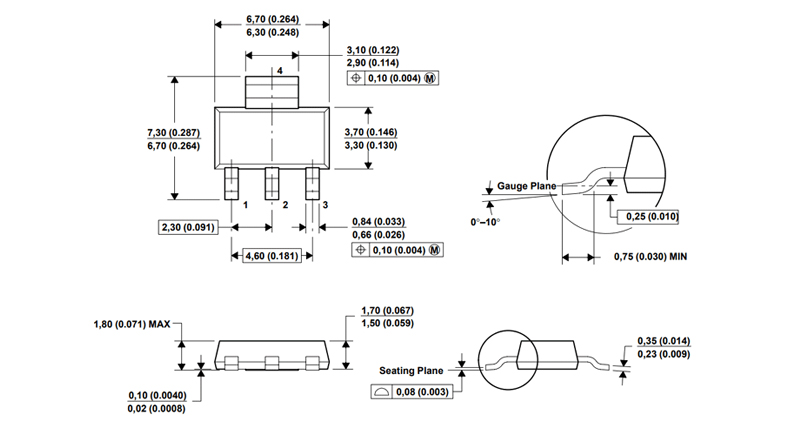
SOT-223 پیکج
رگلاتور خظی با کیفیت و کارایی بالا
دارای سه ترمنیال ثابت و یا قابل تنظیم
جریان خروجی 1 آمپر
قابل استفاده در شارژرهای باتری

این رگلاتورها یکی از معرفترین رگلاتورهای با پکیج اس ام دی هستند که در انواع ولتاژ ثابت و متغییر قابل تهییه هستند

دانلود دیتاشیت رگلاتور
دیتاشیت برای کالا وجود ندارد
>
ویدیوی برای این کالا وجود ندارد
×


























