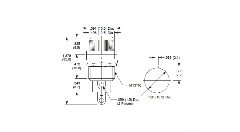
جافیوز پیچی کوچک
مناسب فیوز های کوچک با سایز 20*5
ولتاژ و جریان قابل تحمل 250 ولت 10آمپر
ولتاژ و جریان قابل تحمل 125 ولت 15آمپر

-
دیتاشیت برای کالا وجود ندارد
>
ویدیوی برای این کالا وجود ندارد
×
خطا در عملیات
در عملیات خطا به وجود آمده
جافیوز پیچی کوچک
مناسب فیوز های کوچک با سایز 20*5
ولتاژ و جریان قابل تحمل 250 ولت 10آمپر
ولتاژ و جریان قابل تحمل 125 ولت 15آمپر

-
دیتاشیت برای کالا وجود ندارد
ویدیوی برای این کالا وجود ندارد
منبع تغذیه متغیر جیبی با کیفیت
پراب منبع تغذیه10آمپری
پروگرامر جیبی AVR