(LED) نام کالا:ال ای دی مات سبز
سبز GF0991-07 مدل
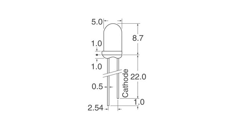
سایز: 5 میلی متری
سایر مشخصات
حداکثر جریان قابل تحمل در محدوده 20 میلی آمپر
ولتاژ کاری 2.7 ولت الی 3 ولت
2300 mcd :شدت روشنایی
است که واحد اندازه گیری شدت روشنایی می باشد millicandela مخفف mcd
525nm : فرکانس رنگ یا طول موج انتشار( نانو متر)
زاویه دید: پخش نور به صورت پخشی
لنز: مات

GF0991-07 – Green
Color Frequency: 525nm
Luminous Intensity: 2300mcd
Viewing Angle: Diffused Lens
Forward Voltage: 2.7v – 3.0v
Typical Voltage: 2.8v
Typical Forward Current: 20mA
Style: Round 5mm – T1 3/4
Lens: Frosted
است به معنی دیود منتشر کننده یا ساطع کننده نور می باشد Diode Light Emitted ال ای دی که مخفف کلمه
همانطور که گفته شد این کالا از خانواده دیود ها هستند این دیود ها با گذشتن جریان از داخل آن ها مقداری از انرژی به صورت نور از خود ساطع می کنند. یکی از ویژگی های مهم ال ای دی ها کم مصرف بودن این کالا ها است
ال ای دی ها مات در انواع سایزهای 3، 5، 8 و 10 میلی متر در رنگ های سفید سبز قرمز آبی نارنجی زرد یافت می شوند
می گویند Frosted LENS در اصطلاح لاتین به ال ای دی های مات
ال ای دی ها در دسته بندی محصولات از نظر اکتیو یا پسیو بودن در دسنه اکتیو قرار می گیرند
خاصیت مات بودن این ال ای دی ها باعث می شود که نور به صورت متناسب در همه جهات پخش شوند
موارد استفاده
این ال ای دی ها به علت کم مصرف بودن در انواع پروژه های الکترونیک، روشنایی، روشنایی خودروها، ودر هر قسمتی که نیاز به مصرف کم، روشنایی با شدت نور بالا و قابل اطمینان باشد از این ال ای دی های بهره می برند
دمای لحیم کاری
700°C در حالت بیشینه ی به مدت 3 ثانیه دما مقدار دمای هیتر یا هویه کمتر از
INTENSITY شدت روشنایی یا
گفته میشود mcd که در اصطلاح millicandela واحد اندازه گیری شدت نور ال ای دی
1000 mcd =1 candela
مقدار نور تولید شده از منبع نور را نمایش میدهند.candelas
دیتاشیت برای کالا وجود ندارد
ویدیوی برای این کالا وجود ندارد

























